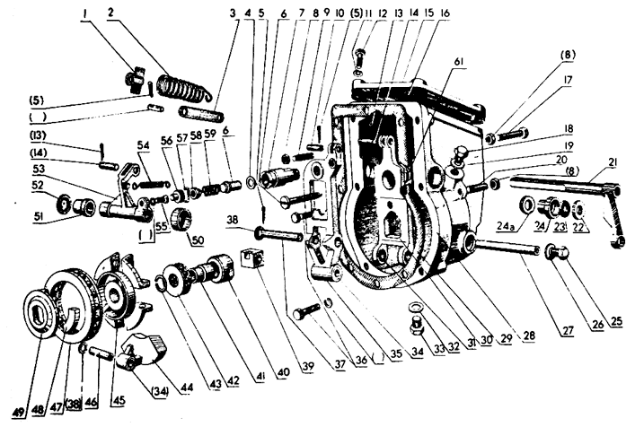
| 1 | | 4УТНМ-1110010-10 | 1 | Регулятор (1-60) |
| 2 | | 4УТНМ-1110020 | 1 | Корпус (6, 22-24, 28, 51, 52) |
| 3 | | УТН-3-1110140 | 1 | Муфта (40, 41) |
| 4 | | УТН-5-1110160-В | 4 | Груз (34, 44) |
| 5 | | УТН-5-1110200-В | 1 | Рычаг (34, 35) |
| 6 | | УТН-5-1110290-А | 1 | Рычаг (30, 31) |
| 7 | | УТН-5-1110230-В3 | 1 | Корректор (4, 7, 56-60) |
| 8 | | УТН-5-1110240-И | 1 | Ступица (34, 44-46, 38) |
| 9 | | УТН-5-1110320-В | 1 | Втулка (22-24) |
| 10 | 1 | УТН-3-1110171-Г | 1 | Серьга |
| 11 | 2 | УТН-5-1110187-Д | 1 | Пружина |
| 12 | 3 | УТН-5-1110304 | 1 | Тяга |
| 14 | 5 | | 6 | Шплинт 2х16.05 ГОСТ 397-66 |
| 15 | 6 | УТН-3-1110026 | 1 | Упор |
| 16 | 7 | УТН-5-1110231-Б | 1 | Корпус |
| 17 | 8 | | 3 | Гайка М6.А6.019 ГОСТ 5915-70 |
| 18 | 9 | УТН-5-1110196-А | 1 | Шпилька |
| 19 | 10 | УТН-5-1110403 | 2 | Палец |
| 20 | 11 | 252134 | 10 | Шайба 6Т ГОСТ 6402-70 |
| 21 | 12 | | 4 | Болт 3М6-6gx20.58.019 ГОСТ 7798-70 |
| 22 | 13 | | 8 | Шплинт 2х10.05 ГОСТ 397-66 |
| 23 | 14 | ОНМ-087 | 2 | Палец |
| 24 | 15 | УТН-5-1110301-10 | 1 | Крышка |
| 25 | 16 | 4УТНМ-1110302-А | 1 | Прокладка |
| 26 | 17 | | 1 | Болт 3М6-6gx25.58.01 ГОСТ 7798-70 |
| 27 | 18 | УТН-5-1110411 | 1 | Пробка |
| 28 | 19 | УТН-5-1110412 | 1 | Прокладка |
| 29 | 20 | УТН-5-1110400-Б3 | 1 | Винт |
| 30 | 21 | УТН-5-1110308-Д | 1 | Рычаг управления |
| 31 | 22 | УТН-5-1110323-Б | 1 | Обойма |
| 32 | 23 | 17-004-А | 1 | Сальник |
| 33 | 24 | УТН-5-1110321-Б1 | 1 | Втулка |
| 34 | | 16-240 | 1 | Кольцо уплотнительное |
| 35 | 25 | УТН-5-1110409 | 1 | Заглушка |
| 36 | 26 | Д40-1110386-А | 1 | Прокладка |
| 37 | 27 | Д40-1110365-Б | 1 | Ось |
| 38 | 28 | 4УТНМ-Т-1110025-10 | 1 | Корпус |
| 39 | 29 | УТН-5-1110303 | 1 | Прокладка |
| 40 | 30 | УТН-5-1110274-А | 1 | Рычаг |
| 41 | 31 | ОНМ-170 | 2 | Втулка |
| 42 | 32 | ОНМ-086-1 | 1 | Прокладка |
| 43 | 33 | ОНМ-019-2 | 1 | Болт |
| 44 | 34 | УТН-5-1110166 | 5 | Втулка |
| 45 | 35 | УТН-5-1110195-К | 1 | Рычаг |
| 46 | 36 | | 7 | Болт М8-6gx20.88.019 ГОСТ 7796-70 |
| 47 | 37 | УТН-5-1110191 | 1 | Ось ролика |
| 48 | 38 | УТН-5-1110242-Б | 8 | Шайба |
| 49 | 39 | УТН-5-1110153-Г2 | 1 | Пята |
| 50 | 40 | УТН-5-1110144-Б | 1 | Муфта |
| 51 | 41 | УТН-5-1110145 | 1 | Втулка |
| 52 | 42 | 8202 | 1 | Шарикоподшипник ГОСТ 6874-75 |
| 53 | 43 | УТН-3-1110311-Б | 1 | Кольцо |
| 54 | 44 | УТН-5-1110165-Е | 4 | Груз |
| 55 | 45 | УТН-5-1110132-М3 | 1 | Ступица |
| 56 | 46 | УТН-5-1110241 | 4 | Ось грузов |
| 57 | 47 | 8110 | 1 | Шарикоподшипник ГОСТ 6874-75 |
| 58 | 48 | 236-1110517-Б | 4 | Сухарь |
| 59 | 49 | УТН-5-1110251-Г2 | 1 | Шайба |
| 60 | 50 | УТН-5-1110281-Б | 1 | Втулка |
| 61 | 51 | 4УТНМ-1110021-Б | 1 | Втулка |
| 62 | 52 | 17-071 | 2 | Заглушка |
| 63 | 53 | УТН-5-1110155-Г5 | 1 | Рычаг |
| 64 | 54 | УТН-5-1110193 | 1 | Пружина |
| 65 | 55 | | 1 | Болт М8-6gx12.88.05 ГОСТ 7798-70 |
| 66 | 56 | УТН-5-1110235-Б2 | 1 | Винт |
| 67 | 57 | УТН-5-1110237 | 1 | Скоба |
| 68 | 58 | УТН-5-1110238-А1 | 1 | Тарелка |
| 69 | 59 | УТН-5-1110234-Д | 1 | Пружина |
| 70 | 60 | УТН-5-1110233-Б2 | 1 | Шток |
| 71 | 61 | 4УТНМ-1110446 | 1 | Пружина |