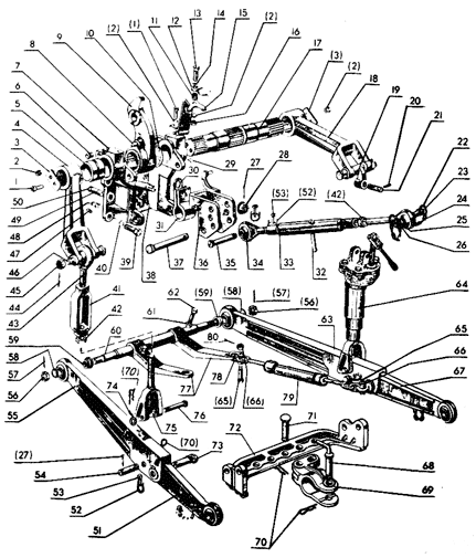
| 1 | | 70-4605010 | 1 | Механизм задней навески (1-103) |
| 2 | | 50-4605012 | 1 | Раскос (41-43, 75) |
| 3 | | | 1 | |
| 4 | | 70-4605145 | 1 | Кронштейн (1, 2, 11-16) |
| 5 | | А61.03.000 | 1 | Тяга (22-26, 32-34, 42) |
| 6 | | А61.03.200 | 1 | Винт (22-26) |
| 7 | | 70-4605340 | 1 | Рычаг (8-9) |
| 8 | | 80-4605025 | 1 | Поперечина (68-72) |
| 9 | | 50-4605030-А3 | 1 | Тяга правая (37, 52-54, 63, 67, 70, 73) |
| 10 | | 50-4605035-А3 | 1 | Тяга левая (27, 51-55, 70, 73) |
| 11 | | 50-46050У5-А | 1 | Палец (70, 71) |
| 12 | | 50-4605105-А | 1 | Шкворень прицепа (68, 70) |
| 13 | 1 | | 6 | Болт М12-6gх25.88.35.019 ГОСТ 7796-70 |
| 14 | 2 | | 7 | Шайба 12 ОТ ОСТ 37.001.115-75 |
| 15 | 3 | 40-4605023-А2 | 2 | Шайба |
| 16 | 4 | 40-4605021-А2 | 1 | Рычаг |
| 17 | 5 | 70-4605032 | 2 | Втулка |
| 18 | 6 | 70-4605308-Б | 2 | Втулка |
| 19 | 7 | 70-4605016-Б | 1 | Кронштейн |
| 20 | 8 | 70-4605313 | 1 | Палец |
| 21 | 9 | 70-4605024-А | 1 | Рычаг поворотный |
| 22 | 10 | | 1 | Кольцо 2Б65 ГОСТ 1394-68 |
| 23 | 11 | 50-4605069 | 1 | Втулка |
| 24 | 12 | 50-4605077-Б | 1 | Пружина |
| 25 | 13 | | 1 | Болт М12-6gх35.88.35.019 ГОСТ 7796-70 |
| 26 | 14 | | 1 | Шайба 12.02.019 ГОСТ 11371-78 |
| 27 | 15 | 70-4605240-А | 1 | Кронштейн |
| 28 | 16 | | 1 | Гайка М12.6Н.6.019 ГОСТ 5915-70 |
| 29 | 17 | 70-4605023 | 1 | Вал поворотный |
| 30 | 18 | 40-4605022-А | 1 | Рычаг |
| 31 | 19 | 70-4605168 | 1 | Серьга |
| 32 | 20 | | 1 | Штифт пружинный 8х45 ГОСТ 14229-69 |
| 33 | 21 | А61.01.004 | 1 | Палец |
| 34 | 22 | А61.03.002 | 2 | Кольцо |
| 35 | 23 | А61.03.001-02 | 1 | Палец |
| 36 | 24 | А61.05.100-01 | 1 | Чека сборная |
| 37 | 25 | А61.02.100-04 | 1 | Винт |
| 38 | 26 | А61.05.002 | 1 | Чека |
| 39 | 27 | | 3 | Шплинт 5х36-001 ГОСТ 397-79 |
| 40 | 28 | 70-4605316 | 1 | Гайка упорная |
| 41 | 29 | | 3 | Масленка 1.3.Ц6.хр ГОСТ 19853-74 |
| 42 | 30 | 70-4605304-Б | 1 | Шайба |
| 43 | 31 | 70-4605302-Б | 1 | Пружина |
| 44 | 32 | А61.03.102 | 1 | Рукоятка |
| 45 | 33 | А61.03.101 | 1 | Труба |
| 46 | 34 | А61.02.100-03 | 1 | Винт |
| 47 | 35 | 70-4605312 | 1 | Палец |
| 48 | 36 | 70-4605330-Б | 1 | Серьга |
| 49 | 37 | 70-4605071-01 | 1 | Палец |
| 50 | 38 | 70-4605320 | 1 | Болт |
| 51 | 39 | 70-4605036 | 5 | Болт |
| 52 | 40 | | 5 | Шайба 20 ОТ 65Г 06 ГОСТ 6402-70 |
| 53 | 41 | А61.02.001 | 1 | Стяжка |
| 54 | 42 | А61.02.003 | 2 | Контргайка |
| 55 | 43 | А61.02.100 | 1 | Винт |
| 56 | 44 | | 2 | Шплинт 4х36.001 ГОСТ 397-79 |
| 57 | 45 | 70-3003032 | 2 | Гайка М18х1,5.6Н.6.019 ГОСТ 5915-73 |
| 58 | 46 | F50-4605084 | 2 | Палец |
| 59 | 47 | 70-4605317 | 2 | Ограничитель |
| 60 | 48 | 21А-1601150 | 4 | Пружина |
| 61 | 49 | 50-4605027 | 2 | Штифт |
| 62 | 50 | 54.38.619 | 2 | Кольцо |
| 63 | 51 | 80-4605045-01 | 1 | Тяга левая |
| 64 | 52 | А61.05.004 | 8 | Кольцо |
| 65 | 53 | А61.05.005 | 4 | Чека |
| 66 | 54 | 50-4605049-Б | 2 | Палец |
| 67 | 55 | 70-605055 | 1 | Тяга |
| 68 | 56 | А04.02.020-01 | 2 | Гайка |
| 69 | 57 | | 2 | Шплинт 5х45-019 ГОСТ 397-79 |
| 70 | 58 | 70-4605047 | 2 | Втулка |
| 71 | 59 | 50-4605068-Б1 | 2 | Втулка |
| 72 | 60 | 70-4605026 | 1 | Ось |
| 73 | 61 | | 2 | Гайка М16.6Н.6.019 ГОСТ 5916-70 |
| 74 | 62 | 50-4605019 | 2 | Болт |
| 75 | 63 | 70-4605050 | 1 | Тяга |
| 76 | 64 | 80-4605150 | 1 | Раскос |
| 77 | 65 | 50-4605086 | 4 | Болт серьги |
| 78 | 66 | | 4 | Гайка М12.6Н.6.019 ГОСТ 5919-73 |
| 79 | 67 | 80-4605040-01 | 1 | Тяга |
| 80 | 68 | 50-4605079-Б | 1 | Шкворень |
| 81 | 69 | 36-2701036-А3 | 1 | Вилка |
| 82 | 70 | А61.07.001 | 6 | Шплинт |
| 83 | 71 | А61.10.002 | 2 | палец |
| 84 | 72 | 80-4605046 | 1 | Поперечина |
| 85 | 73 | 70-4605048-А | 2 | Проушина |
| 86 | 74 | | 2 | Шайба 18 01 019 ГОСТ 11371-78 |
| 87 | 75 | 50-4605100-Б | 1 | Вилка |
| 88 | 76 | Ф50-4605084 | 2 | Палец |
| 89 | 77 | 50-4605033-Б1 | 2 | Кронштейн |
| 90 | 78 | А61.09.002 | 4 | Серьга |
| 91 | 79 | 80-4605080 | 2 | Растяжка |
| 92 | 80 | | 4 | Шплинт 3,2х18-019 ГОСТ 397-79 |