
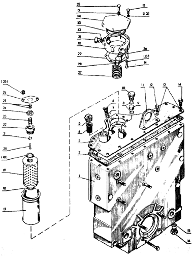
| 1 | 80-4608010Б | 1 | Корпус (1-36) | |
| 2 | 1 | 80-4608016 | 1 | Корпус |
| 3 | 2 | 80-4608031 | 1 | Прокладка |
| 4 | 3 | 85-4608025-01 | 1 | Крышка |
| 5 | 4 | А61-С06-А3 | 1 | Фильтр |
| 6 | 5 | 1 | Пробка КГ 1/4" ОСТ 23.1.117-83 | |
| 7 | 6 | 70-4608065А | 1 | Масломер |
| 8 | 7 | 2 | Кольцо 011-015-25-2-2 ГОСТ 9833-78 | |
| 9 | 8 | 50-4608062 | 2 | Шайба сапуна |
| 10 | 9 | 50-4608063 | 1 | Фильтр |
| 11 | 10 | 50-4608059 | 1 | Пробка сапуна |
| 12 | 11 | 80-4608073 | 1 | Кронштейн |
| 13 | 12 | 5 | Болт М8-6gx25.88.35.019 ГОСТ 7796-70 | |
| 14 | 13 | 18 | Шайба 8Т ОСТ 37.001.115-75 | |
| 15 | 14 | 11 | Болт М8-6gx20.88.35.019 ГОСТ 7796-70 | |
| 16 | 15 | 1 | Кольцо 017-022-30-3-4 ГОСТ 9833-73 | |
| 17 | 16 | 50-4608027-В | 1 | Пробка |
| 18 | 17 | А28.04.20.00А | 1 | Корпус |
| 19 | 18 | 2 | Кольцо 041-050-46-2-2 ГОСТ 9833-73 | |
| 20 | 19 | 761-00-0-000 | 1 | Фильтрующий элемент |
| 21 | 20 | 1 | Винт В1М6-6gх 40.66. ГОСТ 17475-80 | |
| 22 | 21 | 8.20.004 | 1 | Клапан |
| 23 | 22 | А28.04.10.001 | 1 | Корпус |
| 24 | 23 | 8.20.02 | 1 | Пружина |
| 25 | 24 | 8.20.005 | 1 | Шайба опорная |
| 26 | 25 | 6 | Гайка М6.6Н ГОСТ 5916-70 | |
| 27 | 26 | А28.04.00.001 | 1 | Ограничитель |
| 28 | 27 | 85-4608057 | 1 | Пружина |
| 29 | 28 | 85-4607034 | 1 | Штуцер |
| 30 | 29 | 85-4608089 | 1 | Прокладка |
| 31 | 30 | 85-4608018-01 | 1 | Стакан |
| 32 | 31 | 85-4608021 | 1 | Пробка |
| 33 | 32 | 1 | Кольцо 021-025-25-1-4 ГОСТ 9833-73 | |
| 34 | 33 | 1 | Кольцо 130-135-30-1-4 ГОСТ 9833-73 | |
| 35 | 34 | 85-4608022 | 1 | Крышка |
| 36 | 35 | 1 | Болт М8-6gx80.88.35.019 ГОСТ 7796-70 | |
| 37 | 36 | 1 | Кольцо 027-032-30-2-4 ГОСТ 9833-73 |
- Трактор МТЗ 80
-
Трактор МТЗ 82 Р
- Подвеска и блок цилиндров
- Головка цилиндров. Клапаны и толкатели клапанов
- Поршень и шатун. Коленчатый вал и маховик
- Распределительный механизм
- Газопровод дизеля
- Установка насоса рулевого управления
- Топливный бак
- Топливные трубопроводы. Установка топливной аппаратуры
- Топливный насос 4УТНМ
- Регулятор топливного насоса
- Подкачивающий насос
- Форсунка ФД-22М
- РТМ-А-23.1.23-72. Фильтр отстойник
- Управление подачей топлива
- Управление подачей топлива (унифицированная кабина)
- Воздухоочиститель
- Моноциклон
- Аварийный остов дизеля
- Фильтр топливный тонкой очистки
- Глушитель
- Водяной радиатор
- Термостаты системы охлаждения
- Водяной насос и вентилятор
- Шторка
- Масляный картер
- Приемник масляного насоса и масляный насос
- Центробежный масляный фильтр
- Масляный радиатор
- Компрессор
- Сцепление
- Корпус сцепления
- Корпус сцепления. Диски. Отводка
- Корпус сцепления. Привод ВОМ
- Корпус сцепления. Понижающий редуктор
- Привод выключения сцепления
- Привод выключения сцепления (унифицированная кабина)
- Коробка передач
- Корпус коробки передач
- Вал первичный. Вал вторичный
- Вал промежуточный
- Вал 1 передачи и заднего хода
- Редуктор
- Механизм переключения передач
- Управление понижающим редуктором
- Раздаточная коробка
- Карданный вал. Промежуточная опора карданного вала
- Ограждение караданного привода
- Передний ведущий мост
- Главная передача переднего ведущего моста
- Редуктор конечной передачи переднего ведущего моста
- Задний мост
- Механизм блокировки дифференциала
- Рама
- Буксирое устройство с автоматом сцепки
- Гидрофицированный прицепной крюк
- Передняя ось
- Колёса передние направляющие
- Колёса задние
- Колёса передние ведущие
- Рулевое управление
- Привод рулевого управления
- Гидроагрегаты и арматура гидроусилителя рулевого управления
- Цилиндр гидроусилителя рулевого управления
- Распределитель гидроусилителя рулевого управления
- Насос шестерёнчатый
- Тормоза
- Стояночно запасной тормоз
- Управление стояночно запасным тормозом. Унифицированная кабина
- Пневмопереходник
- Трубопроводы и арматура пнвмопривода тормозов прицепа
- Регулятор давления
- Баллон
- Кран тормозной
- Головка соединительная
- Электрооборудование МТЗ-80/82
- Электрооборудование МТЗ-80Л
- Электрооборудование МТЗ-80.1/82.1; МТЗ-82Н; МТЗ-82Р;
- Генератор
- Аккумулятоные батареи
- Электрофакельный подогреватель
- Стартёр 24.3708
- Выключатели
- Фары передние
- Фары задние
- Плафон кабины
- Задние фонари
- Фонарь номерного знака
- Электромагнитное реле
- Указатель поворотов
- Стеклоомыватель
- Щиток приборов
- Инструменты и принадлежности
- Аптечка санитарная
- Ящик для инструментов
- Вал отбора мощности задний
- Вал отбора мощности боковой
- Приводной шкив
- Управление задним ВОМ
- Управление задним ВОМ (унифицированная кабина)
- Передние грузы
- Механизм задней навески
- Раскос
- Управление гидроузлами
- Управление гидроузлами (унифицированная кабина)
- Гидроагрегаты и арматура (общий вид)
- Гидроагрегаты и арматура
- Гидроагрегаты и арматура
- Гидроагрегаты и арматура (унифицированная кабина)
- Корпус гидроагрегатов. Фильтр и привод гидронасоса
- Корпус гидроагрегатов. Фильтр
- Гидроувеличитель сцепного веса
- Гидроаккумулятор
- Цилиндр Ц100
- Цилиндр Ц75
- Распределитель
- Насос шестерёнчатый
- Регулятор
- Управление регулятором
- Управление регулятором (унифицированная кабина)
- Разрывная муфта гидроприводов
- Запорное устройство
- Механизм фиксации
- Датчик блокировки. Арматура датчика блокировки.
- Управление блокировкой дифференциала
- Стеклоочиститель
- Стеклоочистители
- Кабина трактора (Общий вид)
- Кабина. Пол кабины
- Кабина трактора. Стёкла. Профили
- Двери кабины
- Унифицированная кабина
- Унифицированная кабина. Пол кабины
- Двери унифицированной кабины
- Сиденье водителя
- Блок отопления
- Отопитель. Унифицированная кабина
- Арматура блока отпления
- Арматура отопителя. Унифицированная кабина
- Зеркало заднего вида
- Козырёк противосолнечный
- Облицовка радиатора. Капот
- Передние и задние крылья. Пол кабины
- Подножка
- Пусковой двигатель
- Кривошипно-шатунный механизм
- Глушитель
- Регулятор пускового двигателя
- Карбюратор пускового двигателя
- Воздухоочиститель пускового двигателя
- Механизм передачи и включения пускового двигателя
- Дистанционное управление пусковым двигателем
- Топливный бак пускового двигателя
- Термостат двигателя Д 155 Л
- Аккумулятоные батареи
- Стартёр СТ 362 пускового двигателя
- Магнето М124Б1
- Передние крылья
- Раздаточная коробка. Привод.
- Колёса передние ведущие
- Передний ведущий мост в сборе. Подножки (Трактор МТЗ 82 Р)
- Бортовой редуктор (Трактор МТЗ 82 Р)
- Механизм задней навеск
- Поручень
- Колёса и ступицы
- Трактор К 700 A
- Трактор К 701
- Трактор Т-170
