
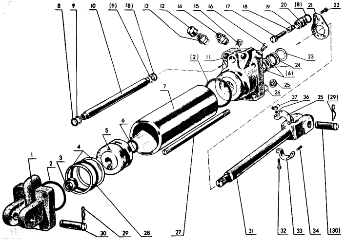
| 1 | Ц75-1111001-А* | 2 | Цилиндр Ц75х200-2 | |
| 2 | 1 | Ц75-1111020-Г | 2 | Крышка задняя |
| 3 | 2 | Ц75-1111045 | 4 | Кольцо |
| 4 | 3 | Ц90-1212007-А | 2 | Гайка |
| 5 | 4 | Ц75-1111042 | 4 | Прокладка |
| 6 | 5 | Ц75-1111023-А | 2 | Поршень |
| 7 | 6 | Ц90-1212044-А | 6 | Кольцо |
| 8 | 7 | Ц75-1111022 | 2 | Корпус |
| 9 | 8 | Ц90-12120046 | 6 | Кольцо |
| 10 | 9 | Ц90-1212027 | 4 | Шайба |
| 11 | 10 | Ц90-1212026-А | 2 | Маслопровод |
| 12 | 11 | Ц75-1111021-Б | 2 | Крышка передняя |
| 13 | 12 | 50-4607124 | 4 | Колпак |
| 14 | 13 | Н.036.60.020 | 2 | Замедлительный клапан |
| 15 | 14 | Н.036.05.002 | 2 | Штуцер |
| 16 | 15 | Ц90-1212057 | 4 | Заглушка 1/2" |
| 17 | 16 | Ц90-1212056 | 4 | Заглушка 1/4" |
| 19 | 18 | Ц90-1212034 | 2 | Втулка |
| 20 | 19 | Ц90-1212047 | 2 | Кольцо |
| 21 | 20 | Ц90-1212033-А | 2 | Корпус клапана |
| 22 | 21 | Ц90-1212035-А | 2 | Крышка чистиков |
| 23 | 22 | 8 | Болт М6-6gх14.56.019 ГОСТ 7798-70 | |
| 24 | 23 | Ц90-1212036 | 32 | Чистик |
| 25 | 24 | Ц90-1212048 | 4 | Прокладка |
| 26 | 25 | 8 | Гайка М12.6Н.6.019 ГОСТ 15521-70 | |
| 27 | 26 | 8 | Шайба 12Т 65Г 06 ГОСТ 6402-70 | |
| 28 | 27 | Ц90-1212041-А | 8 | Шпилька |
| 29 | 28 | Ц75-1111043 | 2 | Кольцо |
| 30 | 29 | 15.62059 | 8 | Шплинт |
| 31 | 30 | Ц90-1212037-В | 4 | Палец |
| 32 | 31 | Ц90-1212002-А | 2 | Шток |
| 33 | 32 | 2 | Болт М6-6gх35.56.019 ГОСТ 7798-70 | |
| 34 | 33 | Ц90-1212029-А | 2 | Полукольцо нижнее |
| 35 | 34 | Ц90-1212030 | 2 | Палец упора |
| 36 | 35 | Ц90-1212028-А | 2 | Упор |
| 37 | 36 | 2 | Шайба 6Т 65Г 06 ГОСТ 6402-70 | |
| 38 | 37 | 2 | Гайка М6.6Н.019 ГОСТ 303-76 |
- Трактор МТЗ 80
-
Трактор МТЗ 82 Р
- Подвеска и блок цилиндров
- Головка цилиндров. Клапаны и толкатели клапанов
- Поршень и шатун. Коленчатый вал и маховик
- Распределительный механизм
- Газопровод дизеля
- Установка насоса рулевого управления
- Топливный бак
- Топливные трубопроводы. Установка топливной аппаратуры
- Топливный насос 4УТНМ
- Регулятор топливного насоса
- Подкачивающий насос
- Форсунка ФД-22М
- РТМ-А-23.1.23-72. Фильтр отстойник
- Управление подачей топлива
- Управление подачей топлива (унифицированная кабина)
- Воздухоочиститель
- Моноциклон
- Аварийный остов дизеля
- Фильтр топливный тонкой очистки
- Глушитель
- Водяной радиатор
- Термостаты системы охлаждения
- Водяной насос и вентилятор
- Шторка
- Масляный картер
- Приемник масляного насоса и масляный насос
- Центробежный масляный фильтр
- Масляный радиатор
- Компрессор
- Сцепление
- Корпус сцепления
- Корпус сцепления. Диски. Отводка
- Корпус сцепления. Привод ВОМ
- Корпус сцепления. Понижающий редуктор
- Привод выключения сцепления
- Привод выключения сцепления (унифицированная кабина)
- Коробка передач
- Корпус коробки передач
- Вал первичный. Вал вторичный
- Вал промежуточный
- Вал 1 передачи и заднего хода
- Редуктор
- Механизм переключения передач
- Управление понижающим редуктором
- Раздаточная коробка
- Карданный вал. Промежуточная опора карданного вала
- Ограждение караданного привода
- Передний ведущий мост
- Главная передача переднего ведущего моста
- Редуктор конечной передачи переднего ведущего моста
- Задний мост
- Механизм блокировки дифференциала
- Рама
- Буксирое устройство с автоматом сцепки
- Гидрофицированный прицепной крюк
- Передняя ось
- Колёса передние направляющие
- Колёса задние
- Колёса передние ведущие
- Рулевое управление
- Привод рулевого управления
- Гидроагрегаты и арматура гидроусилителя рулевого управления
- Цилиндр гидроусилителя рулевого управления
- Распределитель гидроусилителя рулевого управления
- Насос шестерёнчатый
- Тормоза
- Стояночно запасной тормоз
- Управление стояночно запасным тормозом. Унифицированная кабина
- Пневмопереходник
- Трубопроводы и арматура пнвмопривода тормозов прицепа
- Регулятор давления
- Баллон
- Кран тормозной
- Головка соединительная
- Электрооборудование МТЗ-80/82
- Электрооборудование МТЗ-80Л
- Электрооборудование МТЗ-80.1/82.1; МТЗ-82Н; МТЗ-82Р;
- Генератор
- Аккумулятоные батареи
- Электрофакельный подогреватель
- Стартёр 24.3708
- Выключатели
- Фары передние
- Фары задние
- Плафон кабины
- Задние фонари
- Фонарь номерного знака
- Электромагнитное реле
- Указатель поворотов
- Стеклоомыватель
- Щиток приборов
- Инструменты и принадлежности
- Аптечка санитарная
- Ящик для инструментов
- Вал отбора мощности задний
- Вал отбора мощности боковой
- Приводной шкив
- Управление задним ВОМ
- Управление задним ВОМ (унифицированная кабина)
- Передние грузы
- Механизм задней навески
- Раскос
- Управление гидроузлами
- Управление гидроузлами (унифицированная кабина)
- Гидроагрегаты и арматура (общий вид)
- Гидроагрегаты и арматура
- Гидроагрегаты и арматура
- Гидроагрегаты и арматура (унифицированная кабина)
- Корпус гидроагрегатов. Фильтр и привод гидронасоса
- Корпус гидроагрегатов. Фильтр
- Гидроувеличитель сцепного веса
- Гидроаккумулятор
- Цилиндр Ц100
- Цилиндр Ц75
- Распределитель
- Насос шестерёнчатый
- Регулятор
- Управление регулятором
- Управление регулятором (унифицированная кабина)
- Разрывная муфта гидроприводов
- Запорное устройство
- Механизм фиксации
- Датчик блокировки. Арматура датчика блокировки.
- Управление блокировкой дифференциала
- Стеклоочиститель
- Стеклоочистители
- Кабина трактора (Общий вид)
- Кабина. Пол кабины
- Кабина трактора. Стёкла. Профили
- Двери кабины
- Унифицированная кабина
- Унифицированная кабина. Пол кабины
- Двери унифицированной кабины
- Сиденье водителя
- Блок отопления
- Отопитель. Унифицированная кабина
- Арматура блока отпления
- Арматура отопителя. Унифицированная кабина
- Зеркало заднего вида
- Козырёк противосолнечный
- Облицовка радиатора. Капот
- Передние и задние крылья. Пол кабины
- Подножка
- Пусковой двигатель
- Кривошипно-шатунный механизм
- Глушитель
- Регулятор пускового двигателя
- Карбюратор пускового двигателя
- Воздухоочиститель пускового двигателя
- Механизм передачи и включения пускового двигателя
- Дистанционное управление пусковым двигателем
- Топливный бак пускового двигателя
- Термостат двигателя Д 155 Л
- Аккумулятоные батареи
- Стартёр СТ 362 пускового двигателя
- Магнето М124Б1
- Передние крылья
- Раздаточная коробка. Привод.
- Колёса передние ведущие
- Передний ведущий мост в сборе. Подножки (Трактор МТЗ 82 Р)
- Бортовой редуктор (Трактор МТЗ 82 Р)
- Механизм задней навеск
- Поручень
- Колёса и ступицы
- Трактор К 700 A
- Трактор К 701
- Трактор Т-170
