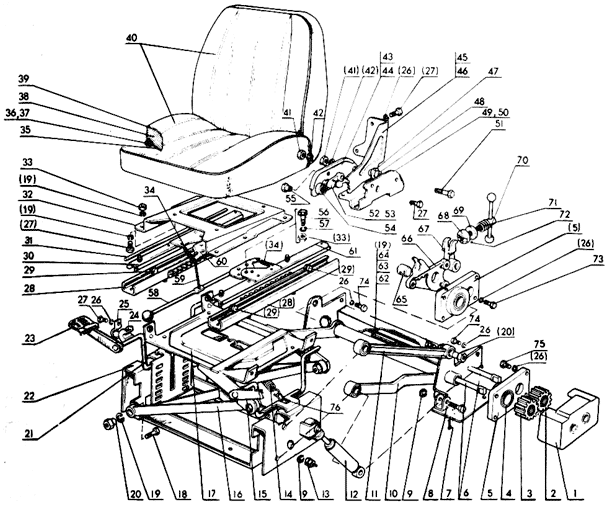
| 1 | | 70-6800000-А | 1 | Сиденье (1-77) |
| 2 | | 70-6800010-01 | 1 | Сиденье (35-55) |
| 3 | | 70-6800015-01 | 1 | Замок (41, 43, 45, 48, 49, 51, 52, 54, 55) |
| 4 | | 70-6800020-01 | 1 | Замок (41, 44, 46, 48, 50, 51, 53-55) |
| 5 | | 70-6801010 | 1 | Подвеска (1-34, 56-77) |
| 6 | | 70-6801315 | 1 | Блок (1-3, 5, 19, 73, 76) |
| 7 | | 70-6804010 | 1 | Механизм (13-34, 56-61, 77) |
| 9 | | 70-6804400 | 1 | Механизм (22, 28-30, 32, 34, 56, 57, 61) |
| 10 | 1 | 85-6801340 | 1 | Корпус |
| 11 | 2 | | 64 | Ролик 3х15,8Ш ГОСТ 6870-72 |
| 12 | 3 | 70-6801303-Б | 2 | Соединитель |
| 13 | 4 | 70-6801330 | 2 | Втулка |
| 14 | 5 | 70-6801304 | 2 | Опора |
| 15 | 6 | 70-6801310 | 2 | Торсион |
| 16 | 7 | 70-6801372 | 1 | Корпус |
| 17 | 8 | 70-3801307 | 2 | Палец |
| 18 | 9 | 85-6801320 | 3 | Шайба |
| 19 | 10 | 70-6801360 | 1 | Стабилизатор |
| 20 | 11 | 70-6801360 | 2 | Рычаг |
| 21 | 12 | АС20-050.00.000 | 1 | Амортизатор |
| 22 | 13 | 70-6807006 | 1 | Палец |
| 23 | 14 | 150-20-212 | 2 | Пружина |
| 24 | 15 | 70-6804050-А | 1 | Опора левая |
| 25 | 16 | 70-6804030 | 1 | Рама |
| 26 | 17 | 70-6804090 | 1 | Основание |
| 27 | 18 | | 4 | Болт М10-6gx20.88.35.019 ГОСТ 7796-70 |
| 28 | 19 | | 18 | Шайба 10 ОТ 65Г 06 ГОСТ 6402-70 |
| 29 | 20 | 70-6801006 | 10 | Палец |
| 30 | 21 | 70-6804050-А01 | 1 | Опора правая |
| 31 | 22 | 70-6801350-Б | 1 | Остов |
| 32 | 23 | 70-6706111 | 2 | Накладка |
| 33 | 24 | 70-6804013 | 4 | Обойма |
| 34 | 25 | 70-6804011 | 4 | Держатель |
| 35 | 26 | | 27 | Шайба 8Т 76Г 06 ГОСТ 6402-70 |
| 36 | 27 | | 18 | Болт М8-6gx16.88.019 ГОСТ 7796-70 |
| 37 | 28 | 70-6804420 | 2 | Направляющая |
| 38 | 29 | 70-6804391 | 4 | Ролик |
| 39 | | | 4 | Кольцо 010-015-30-2-3 ГОСТ 9833-73 |
| 40 | 30 | 70-6804415 | 1 | Направляющая |
| 41 | 31 | 70-6804394 | 2 | Пруток |
| 42 | 32 | 70-6804014А | 1 | Кронштейн |
| 43 | 33 | | 1 | Гайка М8.6Н.6.019 ГОСТ 5915-70 |
| 44 | 34 | 70-6804393 | 2 | Пружина |
| 45 | 35 | 70-6803060 | 2 | Основание |
| 46 | 36 | | 18 | Заклепка 4х10х12 ОСТ 37.001.159-75 |
| 47 | 37 | | 18 | Шайба 5.01.019 ГОСТ 11371-78 |
| 48 | 38 | 70-6803011 | 2 | Подушка |
| 49 | 39 | 70-6803020 | 2 | Чехол |
| 50 | 40 | 70-6803010 | 2 | Подушка (35-39) |
| 51 | 41 | | 4 | Гайка М12-6Н.019 ГОСТ 5915-70 |
| 52 | 42 | | 2 | Шайба 12 ОТ 65Г 06 ГОСТ 6402-70 |
| 53 | 43 | 70-6800011 | 1 | Корпус правый |
| 54 | 44 | 70-6800011-01 | 1 | Корпус левый |
| 55 | 45 | 70-6800014 | 1 | Кронштейн правый |
| 56 | 46 | 70-6800021 | 1 | Кронштейн левый |
| 57 | 47 | | 2 | Шайба 20.01.019 ГОСТ 11371-78 |
| 58 | 48 | 70-6800013 | 2 | Втулка |
| 59 | 49 | 70-6800030-01 | 1 | Кронштейн правый |
| 60 | 50 | 70-6800040-01 | 1 | Кронштейн левый |
| 61 | 51 | | 2 | Болт М12-6gх45.88.35.019 ГОСТ 7796-70 |
| 62 | 52 | 70-6800012 | 1 | Защелка левая |
| 63 | 53 | 70-6800012-01 | 1 | Защелка правая |
| 64 | 54 | А35-6105008 | 2 | Пружина |
| 65 | 55 | 70-6804017 | 2 | Палец |
| 66 | 56 | 70-6804392 | 2 | Ось |
| 67 | 57 | | 2 | Шайба 8.01.019 ГОСТ 11371-78 |
| 68 | 58 | 70-6804430 | 1 | Стопор |
| 69 | 59 | 70-6804305-01 | 1 | Стяжка |
| 70 | 60 | 70-6804432 | 1 | Стопор |
| 71 | 61 | 70-6804410 | 1 | Направляющая |
| 72 | 62 | | 1 | Болт М8-6gx40.88.35.019 ГОСТ 7795-70 |
| 73 | 63 | ПР-41-01 | 1 | Амортизатор |
| 74 | 64 | | 3 | Болт М8-6gx55.88.35.019 ГОСТ 7798-70 |
| 75 | 65 | 70-6801008 | 1 | Гайка |
| 76 | 66 | 70-6801301 | 1 | Крышка |
| 77 | 67 | 70-6801302 | 1 | Рычаг |
| 78 | 68 | 70-6801011 | 1 | Сухарь |
| 79 | 69 | 70-6801013 | 1 | Шайба |
| 80 | 70 | 70-6801080 | 1 | Винт |
| 81 | 71 | 130-3520057-Б | 1 | Пружина |
| 82 | 72 | | 11 | Шарик 5,0-100 |
| 83 | 73 | | 2 | Болт М8-6gx25.88.35.019 ГОСТ 7796-70 |
| 84 | 74 | | 3 | Шайба 10Т 65Г.06 ГОСТ 6402-70 |
| 85 | 75 | | 2 | Болт М8-6gx35.88.35.019 ГОСТ 7798-70 |
| 86 | 76 | 70-6804012 | 1 | Зацеп |