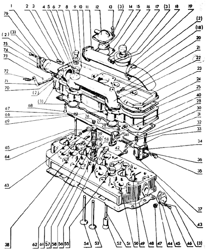
| 1 | | 240-1003012 | 1 | Головка цилиндров (1, 4-11, 14, 19, 22-43, 49,
50, 53, 56-63, 70-78) |
| 2 | | 240-1003013 | 1 | Головка цилиндров (43, 50, 55 56, 58 60) |
| 3 | | 240-1003030-13 | 1 | Крышка головки |
| 4 | | 240-1003220-А-08 | 1 | Патрубок (1, 4, 71-77) |
| 5 | 1 | 240-1003222-Б-01 | 1 | Патрубок |
| 6 | 2 | | 6 | Болт М8-6gx35.88.30.019 ГОСТ 7796-70 |
| 7 | 3 | | 25 | Шайба 8 ГОСТ 6402-70 |
| 8 | 4 | 240-1003221 | 1 | Заслонка |
| 9 | 5 | 240-1003229-01 | 1 | Заглушка |
| 10 | 6 | 50-1003107-А | 4 | Кольцо |
| 11 | 7 | 50-1003106 | 4 | Шайба |
| 12 | 8 | 50-1003104 | 4 | Гайка колпака |
| 13 | 9 | 240-3509157 | 1 | Прокладка |
| 14 | 10 | 240-1003264-А | 2 | Прокладка |
| 15 | 11 | 240-1003260 | 1 | Труба |
| 16 | 12 | 240-1002430-В | 1 | Корпус сапуна |
| 17 | 13 | | 4 | Болт М8-6gx16.88.35.019 ГОСТ 7796-70 |
| 18 | 14 | 240-1002440 | 1 | Фильтр |
| 19 | 15 | 240-1002444-А | 1 | Прокладка |
| 20 | 16 | 240-3707200 | 1 | Пробка |
| 21 | 17 | 240-3707140-А | 1 | Бачок |
| 22 | 18 | | 2 | Гайка М8.6.019 ГОСТ 5915-70 |
| 23 | 19 | ХС-61.019 | 1 | Хомут |
| 24 | 20 | 240-1003281 | 1 | Пробка |
| 25 | 21 | 36-11047-88 | 1 | Прокладка |
| 26 | 22 | 240-1103033-01 | 1 | Коллектор |
| 27 | 23 | 240-1003122Б-02 | 1 | Колпак |
| 28 | 24 | 240-1003109 | 1 | Прокладка |
| 29 | 25 | 240-1003032-01 | 1 | Крышка головки |
| 30 | 26 | 50-1007053-А1 | 16 | Сухарь клапана |
| 31 | 27 | 240-1007185 | 1 | Фиксатор |
| 32 | 28 | 240-1003108 | 1 | Прокладка |
| 33 | 29 | | 2 | Шайба 10 ГОСТ 6402-70 |
| 34 | 30 | | 2 | Болт М12-6gx85.88.35.019 ГОСТ 7796-70 |
| 35 | 31 | Д02-063 | 8 | Гайка |
| 36 | 32 | 50-1007212 | 8 | Коромысло |
| 37 | 33 | | 2 | Шайба 12 ГОСТ 6402-70 |
| 38 | 34 | 240-1007151-Б | 1 | Стойка передняя |
| 39 | | 240-1007151-Б-01 | 1 | Стойка задняя |
| 40 | 35 | 50-1007182 | 2 | Пробка |
| 41 | 36 | 50-1007183 | 2 | Шайба |
| 42 | 37 | 50-1007175-Б1 | 8 | Винт |
| 43 | 38 | 240-1007048 | 8 | Тарелка |
| 44 | 39 | Д02-003-А | 4 | Заглушка |
| 45 | 40 | 240-1007152-Б | 1 | Стойка вторая |
| 46 | | 240-1007152Б-01 | 1 | Стойка третья |
| 47 | 41 | 50-1007103-А | 3 | Пружина |
| 48 | 42 | | 1 | Болт М12-6gx85.88.35.019 ГОСТ 7796-70 |
| 49 | 43 | 240-1003015 | 1 | Головка цилиндров |
| 50 | 44 | 50-1015598 | 1 | Прокладка |
| 51 | 45 | 70-8115022-А | 1 | Патрубок |
| 52 | 46 | | 5 | Болт М8-6gx20.88.35.019 ГОСТ 7796-70 |
| 53 | 47 | КГ 3/8" | 2 | Пробка |
| 54 | 48 | Ф-4.118.3 | 4 | Кольцо |
| 55 | 49 | 240-1007032-Б-01 | 8 | Втулка |
| 56 | 50 | КГ 3/4" | 2 | Пробка |
| 57 | 51 | 240-1007310 | 8 | Штанга |
| 58 | 52 | 240-1007375 | 8 | Толкатель |
| 59 | 53 | 240-1007015Б4 | 4 | Клапан выпускной |
| 60 | 54 | 240-1007014Б4 | 4 | Клапан впускной |
| 61 | 55 | 50-1003103-А | 2 | Стакан |
| 62 | 56 | 50-1003117-А | 3 | Заглушка |
| 63 | 57 | 50-1003020-А2-01 | 1 | Прокладка |
| 64 | 58 | 240-1007054 | 8 | Шайба |
| 65 | 59 | 240-1007055 | 8 | Шайба |
| 66 | 60 | 240-1007020 | 8 | Манжета |
| 67 | 61 | 240-1007046-А1 | 8 | Пружина клапана |
| 68 | 62 | 240-1007045-А1 | 8 | Пружина клапана |
| 69 | 63 | 245-3701069 | 6 | Шайба |
| 70 | 64 | 50-1003112 | 4 | Шпилька |
| 71 | 65 | | 5 | Болт М12-6gx35.88.35.019 ГОСТ 7796-70 |
| 72 | 66 | 50-1007102-А | 1 | Ось |
| 73 | 67 | | 4 | Гайка М12.6 ГОСТ 5915-70 |
| 74 | 68 | | 8 | Болт М8-6x35.88.35.019 ГОСТ 7796-70 |
| 75 | 69 | 240-1003031-01 | 2 | Прокладка |
| 76 | 70 | | 2 | Кольцо 009-013-25-2-1 ГОСТ 9833-73 |
| 77 | 71 | 240-1003240-А | 1 | Валик заслонки |
| 78 | 72 | 240-1003226 | 1 | Пружина |
| 79 | 73 | | 2 | Болт М4-6gx10.58.019 ГОСТ 17473-72 |
| 80 | 74 | 240-1003227 | 1 | Штифт |
| 81 | 75 | 240-1003229 | 1 | Заглушка |
| 82 | 76 | 240-3507115-А | 4 | Прокладка |