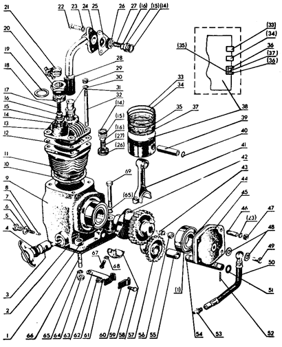
| 1 | | А29.01.000 | 1 | Компрессор (3-20, 23, 26, 27, 39-47, 51, 52, 54) |
| 2 | | А29.01.050 | 1 | Головка цилиндров (13-20, 26, 27, 31) |
| 3 | | А29.01.100 | 1 | Поршень и шатун (36, 37, 33, 34, 38-41, 58) |
| 4 | | А29.01.150 | 1 | Шатун (41, 58, 67, 68) |
| 6 | | А29.01.180 | 1 | Поршневые кольца (комплект) |
| 7 | 1 | | 2 | Подшипник 207 ГОСТ 8338-75 |
| 8 | 2 | 240-3509037-А | 1 | Прокладка |
| 9 | 3 | А29.01.250А | 1 | Валик управления |
| 10 | 4 | | 1 | Кольцо 020-025-30-2-1 ГОСТ 9833-73 |
| 11 | 5 | | 1 | Болт М10-6gx20.66.019 ГОСТ 7796-70 |
| 12 | 6 | А29.01.017 | 1 | Прокладка |
| 13 | 7 | 50-4604027-Б | 1 | Пружина |
| 14 | 8 | А29.01.005 | 1 | Фиксатор |
| 15 | 9 | А29.01.001 | 1 | Картер |
| 16 | 10 | А29.01.006 | 1 | Прокладка |
| 17 | 11 | А29.01.002 | 1 | Цилиндр |
| 18 | 12 | А29.01.008 | 1 | Прокладка |
| 19 | 13 | А29.01.050 | 1 | Головка цилиндров |
| 20 | 14 | А29.01.063 | 3 | Прокладка |
| 21 | 15 | А29.01.062 | 3 | Седло клапана |
| 22 | 16 | А29.01.061 | 3 | Клапан |
| 23 | 17 | А29.01.056 | 1 | Пружина клапана |
| 24 | 18 | А29.01.052 | 1 | Корпус клапана |
| 25 | 19 | А29.01.064-А | 1 | Прокладка |
| 26 | 20 | А29.01.053 | 1 | Пробка |
| 27 | 21 | ХС-26-019 | 2 | Хомут |
| 28 | 22 | | 3 | Болт М8-6gx25.88.35.019 ГОСТ 7796-70 |
| 29 | 23 | | 7 | Шайба 8 ГОСТ 6402-70 |
| 30 | 24 | 240-3509210 | 1 | Труба |
| 31 | 25 | 240-3509157 | 1 | Прокладка |
| 32 | 26 | А29.01.058 | 2 | Корпус клапана |
| 33 | 27 | А29.01.055 | 2 | Пружина клапана |
| 34 | 28 | 18-30-50-10(1) | 1 | Рукав |
| 35 | 29 | | 4 | Гайка М8-1.6Н.8.45.056 ГОСТ 15524-70 |
| 36 | 30 | | 4 | Шайба 8 ГОСТ 11371-78 |
| 37 | 31 | А29.01.059 | 1 | Штуцер |
| 38 | 32 | А29.01.023 | 4 | Шпилька |
| 39 | 33 | А27.02.03.007 | 1 | Кольцо компрессионное |
| 40 | 34 | А27.02.03.008 | 1 | Кольцо компрессионное |
| 41 | 35 | А27.12.40.510 | 1 | Расширитель |
| 42 | 36 | А27.12.40.509 | 2 | Сегмент |
| 43 | 37 | А27.12.40.511 | 1 | Расширитель |
| 44 | 38 | А29.05.101 | 1 | Поршень |
| 45 | 39 | А29.05.103 | 1 | Палец поршневой |
| 46 | 40 | А29.05.102 | 2 | Кольцо стопорное |
| 47 | 41 | А29.05.171 | 1 | Шатун |
| 48 | 42 | А29.01.004 | 1 | Вал коленчатый |
| 49 | 43 | А29.01.013А | 1 | Пружина |
| 50 | 44 | А29.01.009 | 2 | Прокладка |
| 51 | 45 | А29.01.003 | 1 | Крышка |
| 52 | 46 | | 4 | Шпилька 2М8 3p/6q x 18.66.05 ГОСТ 22038-76 |
| 53 | 47 | | 4 | Гайка М8.6Н.8.056 ГОСТ 5915-70 |
| 54 | 48 | 36-1104788 | 2 | Прокладка |
| 55 | 49 | 36-1104787 | 1 | Болт штуцера |
| 56 | 50 | 240-3509150 | 1 | Маслопровод |
| 57 | 51 | | 2 | Кольцо 014-018-25-2-1 ГОСТ 9833-70 |
| 58 | 52 | | 1 | Штифт 4h8 х 28 ГОСТ 3128-70 |
| 59 | 53 | 240-3509232 | 1 | Штуцер |
| 60 | 54 | А29.01.301 | 1 | Ось шестерни |
| 61 | 55 | А29.01.202А | 1 | Втулка |
| 62 | 56 | А29.01.019 | 1 | Уплотнитель крышки |
| 63 | 57 | А21.01.201А | 1 | Шестерня |
| 64 | 58 | А29.05.172 | 1 | Крышка шатуна |
| 65 | 59 | | 1 | Болт М8-6gx16.88.39.019 ГОСТ 7798-70 |
| 66 | 60 | 240-3509159 | 1 | Скоба |
| 67 | 61 | | 1 | Шайба 6 ГОСТ 6402-70 |
| 68 | 62 | | 1 | Гайка М6 6.019 ГОСТ 5915-70 |
| 69 | 63 | 240-3506158 | 1 | Хомут |
| 70 | 64 | | 3 | Гайка М10 65Г ГОСТ 6402-70 |
| 71 | 65 | | 4 | Шайба 10 65 Г ГОСТ 6402-70 |
| 72 | 66 | | 3 | Шпилька М10 х Тo/6q x 28 ГОСТ 22038-76 |
| 73 | 67 | | 2 | Болт М8-6gx35.109.40Х.05 ГОСТ 7811-70 |
| 74 | 68 | А29.05.173 | 2 | Шайба |
| 75 | 69 | | 1 | Болт М10-6gx65.88.35.019 ГОСТ 7795-70 |