
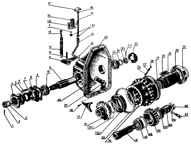
| 1 | 72-1802020 | 1 | Коробка раздаточная (1-48) | |
| 2 | 72-1802060 | 1 | Шестерня с обгонной муфтой (26-35) | |
| 3 | 52-1802094РН* | 1 | Ось (41-48) | |
| 4 | 52-1802095-Б | 1 | Шестерня промежуточная (42-44) | |
| 5 | 52-1802100 | 1 | Корпус (5, 8) | |
| 6 | 52-1802110-А* | 1 | Комплект роликов (26-28, 30) | |
| 7 | 72-1802125РБ* | 1 | Шестерня | |
| 8 | 1 | 2 | Шплинт 4х25.019 ГОСТ 397-79 | |
| 9 | 2 | 70-3003032 | 2 | Гайка |
| 10 | 3 | 52-1802079 | 1 | Шайба |
| 11 | 4 | 52-1802070 | 1 | Фланец |
| 12 | 5 | 1 | Манжета 2.2.38х58-1 ГОСТ 8752-79 | |
| 13 | 6 | 4 | Болт М8-6gx25.88.35.019 ГОСТ 7796-70 | |
| 14 | 7 | 4 | Шайба 8Т ОСТ 37.001.115-75 | |
| 15 | 8 | 52-1802073 | 1 | Корпус |
| 16 | 9 | 52-1802074 | 1 | Прокладка |
| 17 | 10 | 1 | Подшипник 306К5 ГОСТ 8338-75 | |
| 18 | 11 | 72-1802063 | 1 | Вал |
| 19 | 12 | 52-1802082 | 1 | Рычаг |
| 20 | 13 | 1 | Штифт 10х40 ГОСТ 14229-78 | |
| 21 | 14 | 50-1605152 | 1 | Пружина |
| 22 | 15 | 72-1802106 | 1 | Петля |
| 23 | 16 | 72-1802150 | 1 | Стойка |
| 24 | 17 | 50-1310136 | 1 | Рукоятка |
| 25 | 18 | 1 | Гайка М8-6Н.6.019 ГОСТ 5915-70 | |
| 26 | 19 | 82-1802170-01 | 1 | Тяга |
| 27 | 20 | 72-1802135 | 1 | Тяга |
| 28 | 21 | 1 | Шплинт 3,2х18.019 ГОСТ 397-79 | |
| 29 | 22 | 52-1802065-А | 1 | Корпус |
| 30 | 23 | 1 | Подшипник 305А ГОСТ 8338-75 | |
| 31 | 24 | 72-1802064 | 1 | Шайба |
| 32 | 25 | 52-1802076 | 1 | Крышка |
| 33 | 26 | 52-1802069-Б | 16 | Штифт |
| 34 | 27 | 52-1802066-А | 16 | Пружина |
| 35 | 28 | 52-1802111 | 6 | Пробка |
| 36 | 29 | 70-1601082 | 2 | Шайба |
| 37 | 30 | 52-1802077 | 8 | Ролик |
| 38 | 52-1802077РН* | 8 | Ролик | |
| 39 | 31 | 72-1802062А2 | 1 | Втулка |
| 40 | 32 | 2 | Подшипник 115 ГОСТ 8338-75 | |
| 41 | 33 | 52-1802102 | 2 | Кольцо |
| 42 | 34 | 52-1802061-А | 1 | Шестерня |
| 43 | 35 | 52-1802067 | 2 | Обойма |
| 44 | 36 | 72-1802068 | 1 | Шестерня |
| 45 | 37 | 52-1802084 | 1 | Вилка |
| 46 | 38 | 1 | Шплинт 4х22 ГОСТ 397-79 | |
| 47 | 39 | 52-1802080-Б1 | 1 | Валик с рычагом |
| 48 | 40 | 1 | Кольцо 02-025-30-1-4 | |
| 49 | 41 | 52-1802094 | 1 | Ось |
| 50 | 42 | 2 | Подшипник 7306А ГОСТ 333-71 | |
| 51 | 43 | 52-1802097 | 2 | Кольцо |
| 52 | 44 | 52-1802091 | 1 | Шестерня |
| 53 | 45 | 52-1802092-Б | 1 | Втулка |
| 54 | 46 | 1 | Шайба 12 ОТ ОСТ 37.001.115-76 | |
| 55 | 47 | 52-1802093 | 1 | Винт |
| 56 | 48 | 72-1802128 | 1 | Гайка |
- Трактор МТЗ 80
-
Трактор МТЗ 82 Р
- Подвеска и блок цилиндров
- Головка цилиндров. Клапаны и толкатели клапанов
- Поршень и шатун. Коленчатый вал и маховик
- Распределительный механизм
- Газопровод дизеля
- Установка насоса рулевого управления
- Топливный бак
- Топливные трубопроводы. Установка топливной аппаратуры
- Топливный насос 4УТНМ
- Регулятор топливного насоса
- Подкачивающий насос
- Форсунка ФД-22М
- РТМ-А-23.1.23-72. Фильтр отстойник
- Управление подачей топлива
- Управление подачей топлива (унифицированная кабина)
- Воздухоочиститель
- Моноциклон
- Аварийный остов дизеля
- Фильтр топливный тонкой очистки
- Глушитель
- Водяной радиатор
- Термостаты системы охлаждения
- Водяной насос и вентилятор
- Шторка
- Масляный картер
- Приемник масляного насоса и масляный насос
- Центробежный масляный фильтр
- Масляный радиатор
- Компрессор
- Сцепление
- Корпус сцепления
- Корпус сцепления. Диски. Отводка
- Корпус сцепления. Привод ВОМ
- Корпус сцепления. Понижающий редуктор
- Привод выключения сцепления
- Привод выключения сцепления (унифицированная кабина)
- Коробка передач
- Корпус коробки передач
- Вал первичный. Вал вторичный
- Вал промежуточный
- Вал 1 передачи и заднего хода
- Редуктор
- Механизм переключения передач
- Управление понижающим редуктором
- Раздаточная коробка
- Карданный вал. Промежуточная опора карданного вала
- Ограждение караданного привода
- Передний ведущий мост
- Главная передача переднего ведущего моста
- Редуктор конечной передачи переднего ведущего моста
- Задний мост
- Механизм блокировки дифференциала
- Рама
- Буксирое устройство с автоматом сцепки
- Гидрофицированный прицепной крюк
- Передняя ось
- Колёса передние направляющие
- Колёса задние
- Колёса передние ведущие
- Рулевое управление
- Привод рулевого управления
- Гидроагрегаты и арматура гидроусилителя рулевого управления
- Цилиндр гидроусилителя рулевого управления
- Распределитель гидроусилителя рулевого управления
- Насос шестерёнчатый
- Тормоза
- Стояночно запасной тормоз
- Управление стояночно запасным тормозом. Унифицированная кабина
- Пневмопереходник
- Трубопроводы и арматура пнвмопривода тормозов прицепа
- Регулятор давления
- Баллон
- Кран тормозной
- Головка соединительная
- Электрооборудование МТЗ-80/82
- Электрооборудование МТЗ-80Л
- Электрооборудование МТЗ-80.1/82.1; МТЗ-82Н; МТЗ-82Р;
- Генератор
- Аккумулятоные батареи
- Электрофакельный подогреватель
- Стартёр 24.3708
- Выключатели
- Фары передние
- Фары задние
- Плафон кабины
- Задние фонари
- Фонарь номерного знака
- Электромагнитное реле
- Указатель поворотов
- Стеклоомыватель
- Щиток приборов
- Инструменты и принадлежности
- Аптечка санитарная
- Ящик для инструментов
- Вал отбора мощности задний
- Вал отбора мощности боковой
- Приводной шкив
- Управление задним ВОМ
- Управление задним ВОМ (унифицированная кабина)
- Передние грузы
- Механизм задней навески
- Раскос
- Управление гидроузлами
- Управление гидроузлами (унифицированная кабина)
- Гидроагрегаты и арматура (общий вид)
- Гидроагрегаты и арматура
- Гидроагрегаты и арматура
- Гидроагрегаты и арматура (унифицированная кабина)
- Корпус гидроагрегатов. Фильтр и привод гидронасоса
- Корпус гидроагрегатов. Фильтр
- Гидроувеличитель сцепного веса
- Гидроаккумулятор
- Цилиндр Ц100
- Цилиндр Ц75
- Распределитель
- Насос шестерёнчатый
- Регулятор
- Управление регулятором
- Управление регулятором (унифицированная кабина)
- Разрывная муфта гидроприводов
- Запорное устройство
- Механизм фиксации
- Датчик блокировки. Арматура датчика блокировки.
- Управление блокировкой дифференциала
- Стеклоочиститель
- Стеклоочистители
- Кабина трактора (Общий вид)
- Кабина. Пол кабины
- Кабина трактора. Стёкла. Профили
- Двери кабины
- Унифицированная кабина
- Унифицированная кабина. Пол кабины
- Двери унифицированной кабины
- Сиденье водителя
- Блок отопления
- Отопитель. Унифицированная кабина
- Арматура блока отпления
- Арматура отопителя. Унифицированная кабина
- Зеркало заднего вида
- Козырёк противосолнечный
- Облицовка радиатора. Капот
- Передние и задние крылья. Пол кабины
- Подножка
- Пусковой двигатель
- Кривошипно-шатунный механизм
- Глушитель
- Регулятор пускового двигателя
- Карбюратор пускового двигателя
- Воздухоочиститель пускового двигателя
- Механизм передачи и включения пускового двигателя
- Дистанционное управление пусковым двигателем
- Топливный бак пускового двигателя
- Термостат двигателя Д 155 Л
- Аккумулятоные батареи
- Стартёр СТ 362 пускового двигателя
- Магнето М124Б1
- Передние крылья
- Раздаточная коробка. Привод.
- Колёса передние ведущие
- Передний ведущий мост в сборе. Подножки (Трактор МТЗ 82 Р)
- Бортовой редуктор (Трактор МТЗ 82 Р)
- Механизм задней навеск
- Поручень
- Колёса и ступицы
- Трактор К 700 A
- Трактор К 701
- Трактор Т-170
