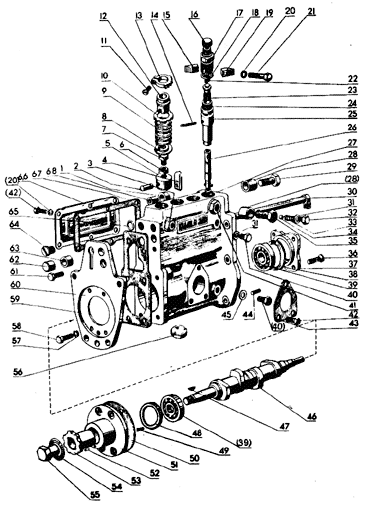
| 1 | | 4УТНМ-1111005-01 | 1 | Насос топливный с регулятором |
| 2 | | 4УТНМ-1111010 | 1 | Насос топливный (1-68) |
| 3 | | 4УТНМ-1111080 | 1 | Плита (60, 62) |
| 4 | | 4УТНМ-1111060-10 | 1 | Фланец (51, 52) |
| 5 | | УТН-5-1111220 | 4 | Клапан (23, 24) |
| 6 | | 4УТНМ-1111090-01 | 4 | Толкатель (1, 2, 5-7, 68) |
| 7 | | 4УТНМ-1111410-01 | 4 | Плунжерная пара (25, 26) |
| 8 | | 16-С13-1Б | 1 | Клапан перепускной |
| 9 | 1 | УТН-5-1111263 | 4 | Ролик |
| 10 | 2 | УТН-5-1111266 | 4 | Ось |
| 11 | 3 | УТН-3-1110022-Б | 1 | Футорка |
| 12 | 4 | 4УТНМ-1111410-01 | 2 | Фиксатор |
| 13 | 5 | УТН-3-1111262-02 | 4 | Корпус |
| 14 | 6 | УТН-5-1111267 | 4 | Контргайка |
| 15 | 7 | 4УТНМ-1111265 | 4 | Болт |
| 16 | 8 | 4УТНМ-1111472 | 4 | Тарелка |
| 17 | 9 | УТН-5-1111138 | 4 | Пружина |
| 18 | 10 | УТН-5-1111473-А | 4 | Тарелка |
| 19 | 11 | УТН-5-1111433-А | 4 | Винт |
| 20 | 12 | УТН-5-1111431-Б | 4 | Втулка |
| 21 | 13 | 4УТНМ-1111432-01 | 4 | Венец |
| 22 | 14 | УТН-3-1111489 | 4 | Штифт |
| 23 | 15 | УТН-3-1111478-А2 | 2 | Зажим |
| 24 | 16 | 119-73-Во | 4 | Колпачок |
| 25 | 17 | УТН-3-1111485 | 4 | Штуцер |
| 26 | 18 | 16-212-Б | 4 | Прокладка |
| 27 | 19 | УТН-3-1111477-А2 | 2 | Зажим |
| 28 | 20 | | 11 | Шайба 6+E460Т ГОСТ 6402-70 |
| 29 | 21 | | 2 | Болт М6-6gx30.88.35.019 ГОСТ 7798-70 |
| 30 | 22 | 16-068-А | 4 | Пружина |
| 31 | 23 | УТН-5-1111224 | 4 | Клапан |
| 32 | 24 | УТН-5-1111226 | 4 | Седло |
| 33 | 25 | 4УТНМ-1111425-01 | 4 | Втулка |
| 34 | 26 | 4УТНМ-1111422-02 | 4 | Плунжер |
| 35 | 27 | 4УТНМ-1111025-10 | 1 | Корпус насоса |
| 36 | 28 | 119-85-1о | 2 | Втулка |
| 37 | 29 | А12.01.003-03 | 1 | Болт |
| 38 | 30 | УТН-5-1111350 | 1 | Рейка |
| 39 | 31 | 16-219 | 2 | Прокладка |
| 40 | 32 | 16-218 | 1 | Пробка |
| 41 | 33 | 16-057 | 1 | Пружина |
| 42 | 34 | 16-262 | 1 | Шарик |
| 43 | 35 | 16-216-1 | 1 | Корпус |
| 44 | 36 | | 4 | Винт М6-6gx12.58.019 ГОСТ 17475-72 |
| 45 | 37 | УТН-5-1111451-И | 1 | Стакан |
| 46 | 38 | 4УТНМ-1111213 | 1 | Прокладка регулировочная |
| 47 | 39 | | 2 | Подшипник 7204-А ГОСТ 333-79 |
| 48 | 40 | ОНМ-019-2 | 2 | Болт |
| 49 | 41 | УТН-3-1111028-В2 | 1 | Футорка |
| 50 | 42 | | 9 | Болт М6-6gx20.88.35.019 ГОСТ 7798-70 |
| 51 | 43 | 16-148-б | 1 | Прокладка |
| 52 | 44 | Д40-1110026 | 2 | Штифт |
| 53 | 45 | ОНМ-086-1 | 2 | Прокладка |
| 54 | 46 | 4УТНМ-1111152-А | 1 | Вал |
| 55 | 47 | УТН-5-1111155 | 1 | Шпонка |
| 56 | 48 | 4УТНМ-1111244 | 1 | Пластина опорная |
| 57 | 49 | 4УТНМ-1111243-10 | 6 | Пружина |
| 58 | 50 | 4УТНМ-1111493 | 1 | Прокладка |
| 59 | 51 | 4УТНМ-1111162-10 | 1 | Фланец |
| 60 | 52 | УТН-5-1111163 | 1 | Заглушка |
| 61 | 53 | УТН-3-1111165 | 1 | Втулка |
| 62 | 54 | 16-091 | 1 | Шайба |
| 63 | 55 | УТН-3-1111471 | 1 | Гайка |
| 64 | 56 | УТН-3-1111026-А2 | 4 | Пробка |
| 65 | 57 | | 6 | Шайба 8Т ГОСТ 6402-70 |
| 66 | 58 | | 4 | Болт М8-6gx30.88.05 ГОСТ 7796-70 |
| 67 | 59 | 4УТНМ-1111483 | 1 | Прокладка |
| 68 | 60 | 4УТНМ-1111082 | 1 | Плита |
| 69 | 61 | | 2 | Болт М8-6gx20.88.35.019 ГОСТ 7798-70 |
| 70 | 62 | УТН-3-1111024 | 1 | Заглушка |
| 71 | 63 | УТН-5-1111029 | 2 | Втулка |
| 72 | 64 | УТН-5-1111023 | 1 | Пробка |
| 73 | 65 | УТН-5-1111519 | 4 | Кольцо |
| 74 | 66 | УТН-5-1111475-А6 | 1 | Крышка |
| 75 | 67 | УТН-5-1111476-А5 | 1 | Прокладка |
| 76 | 68 | УТН-5-1111264 | 4 | Втулка |