
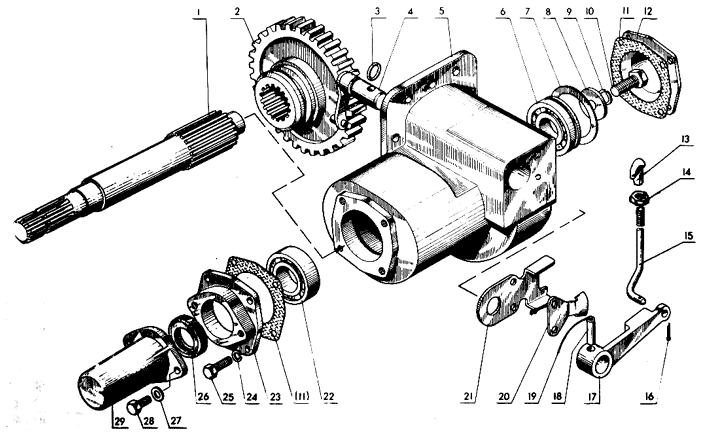
| 1 | 50-4204010/-01 | 1 | Вал отбора мощности боковой с 8-шлицевым хвостовиком (1-28) | |
| 2 | 1 | 50-4204022 | 1 | Вал с 8-шлицевым хвостовиком |
| 3 | 2 | Ф50-4204026 | 1 | Шестерня (Z = 37) |
| 4 | 3 | 50-3406031-04 | 1 | Кольцо |
| 5 | 4 | 50-4204040 | 1 | Валик |
| 6 | 5 | 50-4204015-Б | 1 | Корпус |
| 7 | 6 | 1 | Подшипник 208А ГОСТ 8338-75 | |
| 8 | 7 | 1 | Кольцо КСП-72 ГОСТ 2893-73 | |
| 9 | 8 | 50-1601038 | 1 | Шайба |
| 10 | 9 | 252137-П2 | 1 | Шайба 12 ОТ 65Г.06 ГОСТ 6402-70 |
| 11 | 10 | 1 | Болт М12-6gx35.88.35.019 ГОСТ 7796-70 | |
| 12 | 11 | 50-1601091-01 | 2 | Прокладка |
| 13 | 12 | 50-1601089 | 1 | Крышка |
| 14 | 13 | А13.28.000 | 1 | Рукоятка |
| 15 | 14 | 1 | Гайка М6.6Н.6.019 ГОСТ 5915-70 | |
| 16 | 15 | 50-4204042 | 1 | Тяга |
| 17 | 16 | 1 | Шплинт 3,2х18-001 ГОСТ 397-66 | |
| 18 | 17 | 50-4204034 | 1 | Рычаг |
| 19 | 18 | 1 | Штифт 10х40-01 ГОСТ 14229-69 | |
| 20 | 19 | 1 | Проволока 1,6-0-с ГОСТ 3282-74 | |
| 21 | 20 | 50-4204036 | 1 | Пластина |
| 22 | 21 | 50-4204038 | 1 | Пластина |
| 23 | 22 | 1 | Подшипник 50306 ГОСТ 2893-73 | |
| 24 | 23 | 50-4204024 | 1 | Крышка |
| 25 | 24 | 10 | Шайба 8Т 65Г 06 ОСТ 37.001.115-74 | |
| 26 | 25 | 4 | Болт М8-6gx25.88.35.019 ГОСТ 7796-70 | |
| 27 | 26 | 1 | Манжета 2-38х58-1 ГОСТ 8752-70 | |
| 28 | 27 | 2 | Шайба 8.01.019 ГОСТ 11371-78 | |
| 29 | 28 | 8 | Болт М8-6gx16.88.35.019 ГОСТ 7796-70 | |
| 30 | 29 | 50-4202065-А | 1 | Колпак |
- Трактор МТЗ 80
-
Трактор МТЗ 82 Р
- Подвеска и блок цилиндров
- Головка цилиндров. Клапаны и толкатели клапанов
- Поршень и шатун. Коленчатый вал и маховик
- Распределительный механизм
- Газопровод дизеля
- Установка насоса рулевого управления
- Топливный бак
- Топливные трубопроводы. Установка топливной аппаратуры
- Топливный насос 4УТНМ
- Регулятор топливного насоса
- Подкачивающий насос
- Форсунка ФД-22М
- РТМ-А-23.1.23-72. Фильтр отстойник
- Управление подачей топлива
- Управление подачей топлива (унифицированная кабина)
- Воздухоочиститель
- Моноциклон
- Аварийный остов дизеля
- Фильтр топливный тонкой очистки
- Глушитель
- Водяной радиатор
- Термостаты системы охлаждения
- Водяной насос и вентилятор
- Шторка
- Масляный картер
- Приемник масляного насоса и масляный насос
- Центробежный масляный фильтр
- Масляный радиатор
- Компрессор
- Сцепление
- Корпус сцепления
- Корпус сцепления. Диски. Отводка
- Корпус сцепления. Привод ВОМ
- Корпус сцепления. Понижающий редуктор
- Привод выключения сцепления
- Привод выключения сцепления (унифицированная кабина)
- Коробка передач
- Корпус коробки передач
- Вал первичный. Вал вторичный
- Вал промежуточный
- Вал 1 передачи и заднего хода
- Редуктор
- Механизм переключения передач
- Управление понижающим редуктором
- Раздаточная коробка
- Карданный вал. Промежуточная опора карданного вала
- Ограждение караданного привода
- Передний ведущий мост
- Главная передача переднего ведущего моста
- Редуктор конечной передачи переднего ведущего моста
- Задний мост
- Механизм блокировки дифференциала
- Рама
- Буксирое устройство с автоматом сцепки
- Гидрофицированный прицепной крюк
- Передняя ось
- Колёса передние направляющие
- Колёса задние
- Колёса передние ведущие
- Рулевое управление
- Привод рулевого управления
- Гидроагрегаты и арматура гидроусилителя рулевого управления
- Цилиндр гидроусилителя рулевого управления
- Распределитель гидроусилителя рулевого управления
- Насос шестерёнчатый
- Тормоза
- Стояночно запасной тормоз
- Управление стояночно запасным тормозом. Унифицированная кабина
- Пневмопереходник
- Трубопроводы и арматура пнвмопривода тормозов прицепа
- Регулятор давления
- Баллон
- Кран тормозной
- Головка соединительная
- Электрооборудование МТЗ-80/82
- Электрооборудование МТЗ-80Л
- Электрооборудование МТЗ-80.1/82.1; МТЗ-82Н; МТЗ-82Р;
- Генератор
- Аккумулятоные батареи
- Электрофакельный подогреватель
- Стартёр 24.3708
- Выключатели
- Фары передние
- Фары задние
- Плафон кабины
- Задние фонари
- Фонарь номерного знака
- Электромагнитное реле
- Указатель поворотов
- Стеклоомыватель
- Щиток приборов
- Инструменты и принадлежности
- Аптечка санитарная
- Ящик для инструментов
- Вал отбора мощности задний
- Вал отбора мощности боковой
- Приводной шкив
- Управление задним ВОМ
- Управление задним ВОМ (унифицированная кабина)
- Передние грузы
- Механизм задней навески
- Раскос
- Управление гидроузлами
- Управление гидроузлами (унифицированная кабина)
- Гидроагрегаты и арматура (общий вид)
- Гидроагрегаты и арматура
- Гидроагрегаты и арматура
- Гидроагрегаты и арматура (унифицированная кабина)
- Корпус гидроагрегатов. Фильтр и привод гидронасоса
- Корпус гидроагрегатов. Фильтр
- Гидроувеличитель сцепного веса
- Гидроаккумулятор
- Цилиндр Ц100
- Цилиндр Ц75
- Распределитель
- Насос шестерёнчатый
- Регулятор
- Управление регулятором
- Управление регулятором (унифицированная кабина)
- Разрывная муфта гидроприводов
- Запорное устройство
- Механизм фиксации
- Датчик блокировки. Арматура датчика блокировки.
- Управление блокировкой дифференциала
- Стеклоочиститель
- Стеклоочистители
- Кабина трактора (Общий вид)
- Кабина. Пол кабины
- Кабина трактора. Стёкла. Профили
- Двери кабины
- Унифицированная кабина
- Унифицированная кабина. Пол кабины
- Двери унифицированной кабины
- Сиденье водителя
- Блок отопления
- Отопитель. Унифицированная кабина
- Арматура блока отпления
- Арматура отопителя. Унифицированная кабина
- Зеркало заднего вида
- Козырёк противосолнечный
- Облицовка радиатора. Капот
- Передние и задние крылья. Пол кабины
- Подножка
- Пусковой двигатель
- Кривошипно-шатунный механизм
- Глушитель
- Регулятор пускового двигателя
- Карбюратор пускового двигателя
- Воздухоочиститель пускового двигателя
- Механизм передачи и включения пускового двигателя
- Дистанционное управление пусковым двигателем
- Топливный бак пускового двигателя
- Термостат двигателя Д 155 Л
- Аккумулятоные батареи
- Стартёр СТ 362 пускового двигателя
- Магнето М124Б1
- Передние крылья
- Раздаточная коробка. Привод.
- Колёса передние ведущие
- Передний ведущий мост в сборе. Подножки (Трактор МТЗ 82 Р)
- Бортовой редуктор (Трактор МТЗ 82 Р)
- Механизм задней навеск
- Поручень
- Колёса и ступицы
- Трактор К 700 A
- Трактор К 701
- Трактор Т-170
