
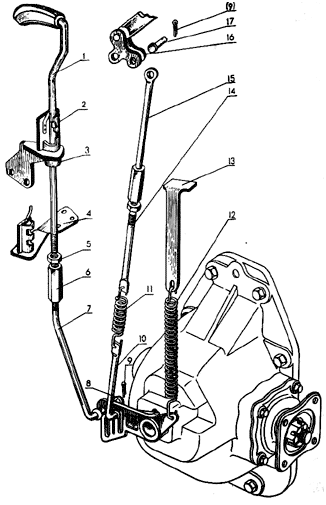
| 1 | 1 | 82-1802230-Б | 1 | Тяга |
| 2 | 2 | 82-1802150-Б | 1 | Кронштейн |
| 3 | 3 | 82-1802159 | 1 | Уплотнитель |
| 4 | 4 | 82-1802195 | 1 | Кронштейн* |
| 5 | 5 | 2 | Гайка М8-6Н.6.019 ГОСТ 5915-70 | |
| 6 | 6 | Р50-4616033 | 2 | Муфта |
| 7 | 7 | 82-1802162-А | 1 | Тяга |
| 8 | 8 | 3 | Шайба 01.019 ГОСТ 11371-78 | |
| 9 | 9 | 3 | Шплинт 3,2х18-019 ГОСТ 397-79 | |
| 10 | 10 | 82-1802180 | 1 | Тяга |
| 11 | 11 | 82-1802144 | 1 | Пружина |
| 12 | 12 | 50-1605152 | 1 | Пружина |
| 13 | 13 | 82-1802106 | 1 | Петля |
| 14 | 14 | 82-1802141 | 1 | Стержень |
| 15 | 15 | 82-102165 | 1 | Тяга |
| 16 | 16 | 70-3507120-01 | 1 | Рычаг |
| 17 | 17 | 1 | Палец 12х32.019 ОСТ 37.001.163-75 |
- Трактор МТЗ 80
-
Трактор МТЗ 82 Р
- Подвеска и блок цилиндров
- Головка цилиндров. Клапаны и толкатели клапанов
- Поршень и шатун. Коленчатый вал и маховик
- Распределительный механизм
- Газопровод дизеля
- Установка насоса рулевого управления
- Топливный бак
- Топливные трубопроводы. Установка топливной аппаратуры
- Топливный насос 4УТНМ
- Регулятор топливного насоса
- Подкачивающий насос
- Форсунка ФД-22М
- РТМ-А-23.1.23-72. Фильтр отстойник
- Управление подачей топлива
- Управление подачей топлива (унифицированная кабина)
- Воздухоочиститель
- Моноциклон
- Аварийный остов дизеля
- Фильтр топливный тонкой очистки
- Глушитель
- Водяной радиатор
- Термостаты системы охлаждения
- Водяной насос и вентилятор
- Шторка
- Масляный картер
- Приемник масляного насоса и масляный насос
- Центробежный масляный фильтр
- Масляный радиатор
- Компрессор
- Сцепление
- Корпус сцепления
- Корпус сцепления. Диски. Отводка
- Корпус сцепления. Привод ВОМ
- Корпус сцепления. Понижающий редуктор
- Привод выключения сцепления
- Привод выключения сцепления (унифицированная кабина)
- Коробка передач
- Корпус коробки передач
- Вал первичный. Вал вторичный
- Вал промежуточный
- Вал 1 передачи и заднего хода
- Редуктор
- Механизм переключения передач
- Управление понижающим редуктором
- Раздаточная коробка
- Карданный вал. Промежуточная опора карданного вала
- Ограждение караданного привода
- Передний ведущий мост
- Главная передача переднего ведущего моста
- Редуктор конечной передачи переднего ведущего моста
- Задний мост
- Механизм блокировки дифференциала
- Рама
- Буксирое устройство с автоматом сцепки
- Гидрофицированный прицепной крюк
- Передняя ось
- Колёса передние направляющие
- Колёса задние
- Колёса передние ведущие
- Рулевое управление
- Привод рулевого управления
- Гидроагрегаты и арматура гидроусилителя рулевого управления
- Цилиндр гидроусилителя рулевого управления
- Распределитель гидроусилителя рулевого управления
- Насос шестерёнчатый
- Тормоза
- Стояночно запасной тормоз
- Управление стояночно запасным тормозом. Унифицированная кабина
- Пневмопереходник
- Трубопроводы и арматура пнвмопривода тормозов прицепа
- Регулятор давления
- Баллон
- Кран тормозной
- Головка соединительная
- Электрооборудование МТЗ-80/82
- Электрооборудование МТЗ-80Л
- Электрооборудование МТЗ-80.1/82.1; МТЗ-82Н; МТЗ-82Р;
- Генератор
- Аккумулятоные батареи
- Электрофакельный подогреватель
- Стартёр 24.3708
- Выключатели
- Фары передние
- Фары задние
- Плафон кабины
- Задние фонари
- Фонарь номерного знака
- Электромагнитное реле
- Указатель поворотов
- Стеклоомыватель
- Щиток приборов
- Инструменты и принадлежности
- Аптечка санитарная
- Ящик для инструментов
- Вал отбора мощности задний
- Вал отбора мощности боковой
- Приводной шкив
- Управление задним ВОМ
- Управление задним ВОМ (унифицированная кабина)
- Передние грузы
- Механизм задней навески
- Раскос
- Управление гидроузлами
- Управление гидроузлами (унифицированная кабина)
- Гидроагрегаты и арматура (общий вид)
- Гидроагрегаты и арматура
- Гидроагрегаты и арматура
- Гидроагрегаты и арматура (унифицированная кабина)
- Корпус гидроагрегатов. Фильтр и привод гидронасоса
- Корпус гидроагрегатов. Фильтр
- Гидроувеличитель сцепного веса
- Гидроаккумулятор
- Цилиндр Ц100
- Цилиндр Ц75
- Распределитель
- Насос шестерёнчатый
- Регулятор
- Управление регулятором
- Управление регулятором (унифицированная кабина)
- Разрывная муфта гидроприводов
- Запорное устройство
- Механизм фиксации
- Датчик блокировки. Арматура датчика блокировки.
- Управление блокировкой дифференциала
- Стеклоочиститель
- Стеклоочистители
- Кабина трактора (Общий вид)
- Кабина. Пол кабины
- Кабина трактора. Стёкла. Профили
- Двери кабины
- Унифицированная кабина
- Унифицированная кабина. Пол кабины
- Двери унифицированной кабины
- Сиденье водителя
- Блок отопления
- Отопитель. Унифицированная кабина
- Арматура блока отпления
- Арматура отопителя. Унифицированная кабина
- Зеркало заднего вида
- Козырёк противосолнечный
- Облицовка радиатора. Капот
- Передние и задние крылья. Пол кабины
- Подножка
- Пусковой двигатель
- Кривошипно-шатунный механизм
- Глушитель
- Регулятор пускового двигателя
- Карбюратор пускового двигателя
- Воздухоочиститель пускового двигателя
- Механизм передачи и включения пускового двигателя
- Дистанционное управление пусковым двигателем
- Топливный бак пускового двигателя
- Термостат двигателя Д 155 Л
- Аккумулятоные батареи
- Стартёр СТ 362 пускового двигателя
- Магнето М124Б1
- Передние крылья
- Раздаточная коробка. Привод.
- Колёса передние ведущие
- Передний ведущий мост в сборе. Подножки (Трактор МТЗ 82 Р)
- Бортовой редуктор (Трактор МТЗ 82 Р)
- Механизм задней навеск
- Поручень
- Колёса и ступицы
- Трактор К 700 A
- Трактор К 701
- Трактор Т-170
