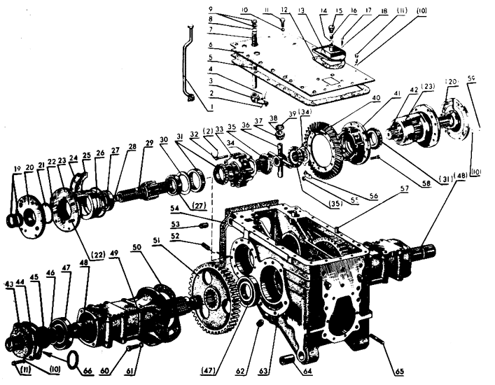
| 1 | | 70-2401010 | 1 | Задний мост (1-65) |
| 2 | | 50-2401015 | 1 | Корпус заднего моста (52, 53, 62-65) |
| 3 | | 50-2401060-А | 1 | Крышка с сапуном (13-16) |
| 4 | | 50-2403010* | 1 | Дифференциал (31-39, 41, 55, 56, 58) |
| 5 | | 50-2403014-А** | 1 | Комплект шестерен главной передачи |
| 6 | | 50-2403015 | 1 | Корпус дифференциала (33, 41) |
| 7 | | 50-2407020-А | 2 | Рукав полуоси (10, 1, 43-49, 66) |
| 8 | | 50-2401040 | 1 | Валик управления (7-9) |
| 9 | | 50-2407030 | 2 | Крышка рукава (43, 45, 66) |
| 10 | | 50-2407050-А | 2 | Крышка стакана (19-21) |
| 11 | | 70-2407060 | 1 | Стакан левый (23, 26-30) |
| 12 | | 70-2407060-01 | 1 | Стакан правый (23, 26-28, 30, 42) |
| 13 | 1 | 70-2401050-А | 1 | Рычаг переключения ВОМ |
| 14 | 2 | | 6 | Проволока 1,6х200 ГОСТ 3282-74 |
| 15 | 3 | 50-2401020 | 1 | Поводок |
| 16 | 4 | 36-1702110 | 2 | Винт |
| 17 | 5 | 50-2401025-А | 1 | Прокладка |
| 18 | 6 | 70-2401024 | 1 | Крышка |
| 19 | 7 | 50-2401019-Б | 1 | Валик управления |
| 20 | 8 | | 1 | Кольцо 020-025-30-1-4 ГОСТ 9833-73 |
| 21 | 9 | 50-2401031 | 2 | Шайба |
| 22 | 10 | 45-9816-6068 | 29 | Шайба 12 01 65 06 ОСТ 37.001.115-74 |
| 23 | 11 | | 25 | Болт М12-6gx30.88.35.019 ГОСТ 7796-70 |
| 24 | 12 | 50-2401027-А | 1 | Прокладка |
| 25 | 13 | 50-2401070-А | 1 | Крышка |
| 26 | 14 | 50-4608062 | 1 | Шайба сапуна |
| 27 | 15 | 50-4608059 | 1 | Пробка сапуна |
| 28 | 16 | 50-4608063 | 1 | Фильтр |
| 29 | 17 | | 4 | Болт М8-6gx16.88.35.019 ГОСТ 7796-70 |
| 30 | 18 | 45-9816-6046 | 4 | Шайба 8Т 656 ОСТ 37.001.115-75 |
| 31 | 19 | | 4 | Манжета 2-50х70-1 ГОСТ 8752-70 |
| 32 | 20 | 50-2407059-А | 2 | Крышка стакана |
| 33 | 21 | | 2 | Кольцо 104-110-40-1-4 ГОСТ 9833-73 |
| 34 | 22 | 50-1601352 | 4 | Штифт |
| 35 | 23 | 50Х-2407042 | 2 | Стакан подшипников |
| 36 | 24 | 50-2407056 | 20 | Прокладка (0,5 мм) |
| 37 | 25 | 50-2407057 | 10 | Прокладка (0,2 мм) |
| 38 | 26 | | 2 | Кольцо 160-165-36-1-4 ГОСТ 9833-73 |
| 39 | 27 | | 4 | Подшипник 42212К1 ГОСТ 8328-75 |
| 40 | 28 | | 4 | Кольцо 035-040-30-1-4 ГОСТ 9833-73 |
| 41 | 29 | 70-2407053 | 1 | Шестерня ведущая (левая) |
| 42 | 30 | 50-2407043 | 2 | Кольцо упорное |
| 43 | 31 | | 2 | Подшипник 7215К1 ГОСТ 333-71 |
| 44 | 32 | 50-2403034 | 8 | Болт |
| 45 | 33 | 50-2403019*** | 1 | Крышка корпуса |
| 46 | 34 | 50-2403049-Б | 2 | Шайба опорная |
| 47 | 35 | 50-2403048 | 2 | Шестерня полуосевая |
| 48 | 36 | 50-2403062-А2 | 1 | Крестовина |
| 49 | 37 | 50-2403055-А | 4 | Сателлит с втулкой |
| 50 | 38 | 50-2403056 | 4 | Втулка сателлита |
| 51 | 39 | 50-2403025 | 4 | Шайба опорная |
| 52 | 40 | 50-2403021-Б** | 1 | Шестерня ведомая главной передачи |
| 53 | 41 | 50-403018* | 1 | Корпус дифференциала |
| 54 | 42 | 70-2407053-01 | 1 | Шестерня ведущая (правая) |
| 55 | 43 | 50-2407028 | 2 | Крышка |
| 56 | 44 | 50-2407029 | 2 | Прокладка |
| 57 | 45 | | 2 | Манжета 2-80х105-1 ГОСТ 8752-70 |
| 58 | 46 | | 2 | Кольцо 2В85 ГОСТ 13940-68 |
| 59 | 47 | | 4 | Подшипник 217 ГОСТ 8338-75 |
| 60 | 48 | 50-2407082-А | 2 | Полуось |
| 61 | 49 | 50-2407018 | 2 | Рукав полуоси |
| 62 | 50 | 50-2407031-Б | 4 | Прокладка |
| 63 | 51 | 50-2407122 | 2 | Шестерня ведомая |
| 64 | 52 | 50-4605027 | 2 | Штифт |
| 65 | 53 | 36-3502037-А | 2 | Втулка |
| 66 | 54 | 50-2401016-Б | 2 | Прокладка |
| 67 | 55 | | 12 | Гайка М12.6Н6.019 ГОСТ 5915-70 |
| 68 | 56 | 50-2403023 | 6 | Пластина стопорная |
| 69 | 57 | Д01-015 | 2 | Штифт |
| 70 | 58 | 50-1702092 | 12 | Болт призонный М12х42 |
| 71 | 59 | | 4 | Болт М12-6gx35.88.35.019 |
| 72 | 60 | | 14 | Болт М16-6gx50.88.35.019 ГОСТ 7796-70 |
| 73 | 61 | | 14 | Шайба 16 ОТ 65Г 06 ОСТ 37.001.115-74 |
| 74 | 62 | | 1 | Пробка магнитная 1 1/4" |
| 75 | 63 | 50-2401015-1 | 1 | Корпус |
| 76 | 64 | 50-2401032 | 2 | Втулка |
| 77 | 65 | 50-2401028 | 4 | Шпилька |
| 78 | 66 | | 2 | Кольцо 080-088-46-2-4 ГОС 9833-73 |